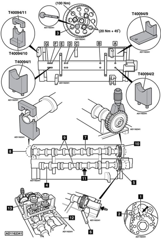
Aretace vačkových hřídelí, tzv. vaček, pro dieselové (vznětové) motory koncernu Volkswagen )VAG) – BGS technic 9319
Určeno pro vozidla Audi, Porsche, Seat, Škoda a Volkswagen s motory TDI-CR (Common Rail) od roku výroby 2003.
Motory objemů:
– 1.2 – 1.6 – 2.0 – 2.7 – 3.0 – 4.0 – 4.2 litru
Kódy motorů:
– ASB, ASE, BKN, BKS, BMK, BNG, BPP, BSG, BTR, BUG, BUN, BVN
– CAAA, CAAB, CAAC, CAAD, CAAE, CAGA, CAGB, CAGC, CAHA, CAHB, CAMA, CAMB, CANA, CANB, CANC, CAND, CAPA, CARA, CASA, CASB, CASC, CASD, CATA, CAYA, CAYB, CAYC, CAYD, CAYE
– CBAA, CBAB, CBAC, CBBA, CBBB, CBDA, CBDB, CBDC
– CCFA, CCFC, CCHA, CCHB, CCLA, CCMA, CCWA, CCWB
– CDBA, CDCA, CDSB, CDTA, CDTB, CDUC, CDUD, CDYA, CDYB, CDYC
– CEGA, CEXA
– CFCA, CFFA, CFFB, CFFD, CFFE, CFGB, CFGC, CFGD, CFHA, CFHB, CFHC, CFHD, CFHE, CFHF, CFJA, CFWA
– CGKA, CGKB, CGLA, CGLB, CGLC, CGLD, CGLE, CGQB
– CJAA, CJCA, CJCB, CJCC, CJCD, CJGA, CJGC, CJGD, CJMA
– CKDA, CKTB, CKTC, CKUB, CKUC, CKVB, CKVC
– CLAA, CLAB, CLCA, CLCB, CLJA, CLLA, CLNA, CLZB
– CMEA, CMFA, CMFB, CMGB, CMHA
– CNEA, CNFA, CNRB
– CRCA
– CSHA
– M05/9D (CAS), M05/9E, M05/9E (CRCA), M05/9E (CRCB)
Sada obsahuje:
– OEM T40094: Montážní přípravek
– OEM T40095: Aretační přípravek vačkové hřídele
– OEM T40096, T40096/1: Svorky
– OEM T40094/1, T40094/2, T40094/9, T40094/10: Aretační přípravky vačkové hřídele
– OEM T40094/11: Aretační přípravek vačkové hřídele
AHtool Sada pro přidržení napínáků VAG 1.8/1.8T
255 Kč
BGS technic Rozpínák výfukového potrubí (volitelná velikost) Pracovní rozsah: 38-64 mm
839 KčBGS technic Aretační přípravek pro vačkové hřídele VAG, Porsche – 9319
18 820 Kč
Aretace vačkových hřídelí, tzv. vaček, pro dieselové (vznětové) motory koncernu Volkswagen )VAG) – BGS technic 9319 Určeno pro vozidla Audi, Porsche, Seat, Škoda a Volkswagen s motory TDI-CR (Common Rail) od roku výroby 2003. Motory…











